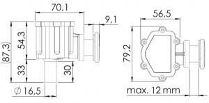
Sifonlu ve yakıt blokeli tank havalandırma
Sifonlu ve yakıt blokeli tank havalandırma