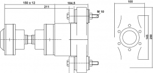
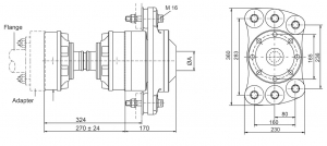
AQUADRIVE CVB 10.10
• Şaft Çapı: 40 mm’ ye kadar
• 65 HP ‘ ye kadar & 1200 rpm’ de 40HP
• CV10 tek başına kullanıldığında 2500 rpm’ de 100HP’ ye kadar makine gücünü kaldırabilir. /
• Tahrik şaftının maksimum hızı
• Taşıyıcı yatağın maksimum hızı
• 60 HP = 45 kW (1HP~0.75kW)
• CV10 için, 154 mm’lik standart boyun haricinde talebe göre istenilen uzunlukta imal edilebilir.
• Standart kaplin bağlantıları: Yanmar, Volvo, 4”-5” kaplin
• Standart dışı kaplin adaptör kitleri özel sipariştir.
| Örnek Uygulama | |||
Tekne tipi |
Motor Gücü kW/HP | Krankşaft devri rpm | Şanzıman Oranı |
Yelkenli |
55/75 | 3800 | 2,6:1 |
Kayıcı |
62/85 | 3800 | 02:01 |
Deplasman tipi Motoryat |
40/55 |












Değerlendirmeler
Henüz değerlendirme yapılmadı.