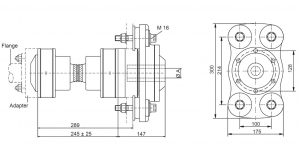
AQUADRIVE CVB 30.20
• Şaft Çapı: 50 mm’ ye kadar
• 250 HP ‘ ye kadar & 1200 rpm’ de 175HP
• CV30 tek başına kullanıldığında 2500 rpm’ de 400 HP’ ye kadar makine gücünü kaldırabilir.
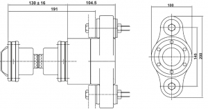
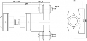
• Tahrik şaftının maksimum hızı
• Taşıyıcı yatağın maksimum hızı
• 200 HP = 150 kW (1HP~0.75kW)
• CV30 için 245 mm’lik standart boyun haricinde talebe göre istenen uzunlukta imal edilebilir.
• Standart şanzıman kaplin bağlantı kiti opsiyonel
• Standart dışı kaplin adaptör kitleri özel sipariştir.
| Örnek Uygulama | |||
Tekne tipi |
Motor Gücü kW/HP | Krankşaft devri rpm | Şanzıman Oranı |
Kayıcı |
200/270 | 3300 | 02:01 |
Deplasman tipi Motoryat |
130/175 | 2600 | 03:01 |












Değerlendirmeler
Henüz değerlendirme yapılmadı.