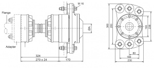
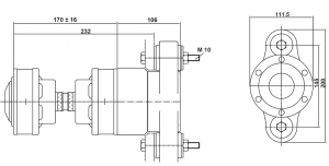
AQUADRIVE CVB 42.30
• Şaft Çapı : 70 mm’ ye kadar
• 550 HP‘ ye kadar & ticari kullanımda 375 HP
• CV42 tek başına kullanıldığında 2500 rpm’ de 800 HP’ ye kadar makine gücünü kaldırabilir.
• Tahrik şaftının maksimum hızı
• Taşıyıcı yatağın maksimum hızı
• 550 HP = 410 kW (1HP~0.75kW)
• CV32 için 274 mm’ lik standart boyun haricinde talebe göre istenen uzunlukta imal edilebilir.
• Standart şanzıman kaplin bağlantı kiti opsiyonel
• Standart dışı kaplin adaptör kitleri özel sipariştir.
| Örnek Uygulama | |||
Tekne tipi |
Motor Gücü kW/HP | Krankşaft devri rpm | Şanzıman Oranı |
Yelkenli |
310/420 | 2600 | 2.5:1 |
Deplasman tipi Motoryat |
240/325 | 2800 | 03:01 |
Üstteki örnekte optimum şartlarda şaft mafsalının 2 derecelik açıda olduğu kabul edilmiştir. 2 derecenin üzerindeki her açı için izin verilen maksimum güç %10 azaltılmalıdır












Değerlendirmeler
Henüz değerlendirme yapılmadı.